◆ Modell: YG60 YG100 YG150
◆ Användning: Alla delar av denna serie mätare är gjorda av rostfritt stål, och huvuddelarna är gjorda av 1Cr18Ni9, OCR18NI12MO2TI, SUS316, SUS316L, etc. Svetsningen av varje del tillverkas av en specialprocess. Bland dem har den korrosionsresistenta högtemperaturtrycksmätaren utmärkt högtemperatur och korrosionsbeständig prestanda, lämplig för frätande miljöer, kan upptäcka svaga frätande, men inte kristallisation, icke-konsolidering, lågviskositet med hög temperaturmedier. Används allmänt i petroleum, kemisk, bekämpningsmedel, gummi, naturgas och andra industrier.
◆ Tekniska parametrar :
| Modellnummer | Yg60 | YG100 | YG150 | ||
| Nominell diameter | Φ 60 | Φ 100 | Φ 150 | ||
| Monteringstyp | Ⅰ | * | * | * | |
| Ⅱ | * | * | * | ||
| Ⅲ | * | / | / | ||
| Ⅳ | * | * | * | ||
| Ⅴ | * | / | / | ||
| Ⅵ | * | * | * | ||
| Anslutningstråd | M14 × 1.5 | M20 × 1.5 | |||
| Noggrannhetsklass | 2.5 | 1.6 | |||
| Mätområde ( MPA ) | Ledig: -0.1 ~ 0 Tryckvakuum : -0.1 ~ 0,06 -0.1 ~ 0,15 -0.1 ~ 0,3 -0.1 ~ 0.5 -0.1 ~ 0,9 -0.1 ~ 1.5 -0.1 ~ 2.4 Tryck: 0 ~ 0,1 0 ~ 0,16 0 ~ 0,25 0 ~ 0,4 0 ~ 0.6 0 ~ 1 0 ~ 1.6 0 ~ 2.5 0 ~ 4 0 ~ 6 0 ~ 10 0 ~ 16 0 ~ 25 0 ~ 40 0 ~ 60 0 ~ 100 、 0 ~ 160 、 0 ~ 250 | ||||
| Användningsförhållanden | Temp : -40 ℃~ 70 ℃ | ||||
| Temperatur | Direkt installation : ≤.. 150 ℃ | ||||
| Temperatur: ≤ 500 ℃ | |||||
| Temperatureffektfel | Δ = ± (Δ K Δ t ) Δ—— Det tillåtna värdet på visningsvärdefelet när omgivningstemperaturen avviker från 20 ℃ ± 5 ℃, och det tillåtna värdet på visningsvärdefelet när omgivningstemperaturen avviker från 20 ℃ ± 5 ℃. % Δ—— Det absoluta värdet på instrumentets inneboende fel. % K —— Temperatureffektkoefficient med ett värde av 0,04%/° C Δ t —— ∣Temperatur av mediet vid Bourdon Tube ℃ -25∣ | ||||
| Vibrationsbedömning | V · H · 3 | ||||
| Borden Tube Material | OCR18NI12MO2TI ; SUS316 ; SUS316L | ||||
| Bostad, anslutningsmaterial | 1cr18ni9ti ; Sus304 | ||||
| Skyddsklass | IP65 | ||||
| Implementeringsstandarder | GB/T 1226 | ||||
| Obs: 1. Gemensamma trådar kan anpassas enligt användarkraven. | |||||
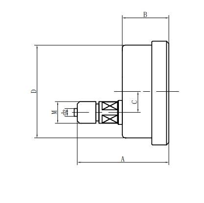
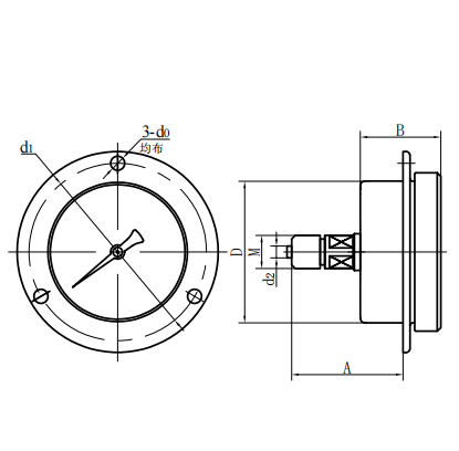
◆ Externa dimensioner:
| Radiell direkt typ (ⅰ) | Axial excentrisk direkttyp (ⅱ) |
| Axial Concentrisk direkt typ (III) | Axial excentrisk insatstyp (IV) |
| Axial koncentrisk insertionstyp (V) | Radiell konvex typ (VI) |
| Modellnummer | Övergripande dimensioner ( mm ) | |||||||
| En | B | C | D | d0 | d1 | d2 | M | |
| Yg60 -Ⅰ | 56 | 33 | 11 | Φ 60 | / | / | Φ 5 | M14 × 1.5 |
| Yg60 -Ⅱ | 61 | 32.5 | 18 | Φ 60 | / | / | Φ 5 | |
| Yg60 -Ⅲ | 61 | 32.5 | / | Φ 60 | / | / | Φ 5 | M14 × 1.5 |
| Yg60 -Ⅳ | 55 | 32.5 | 18 | Φ 60 | Φ 5 | Φ 75 | Φ 5 | |
| Yg60 -Ⅴ | 55 | 32.5 | / | Φ 60 | Φ 5 | Φ 75 | Φ 5 | M14 × 1.5 |
| Yg60 -Ⅵ | 56 | 33 | 11 | Φ 60 | Φ 5 | Φ 75 | Φ 5 | M14 × 1.5 |
| YG100 -Ⅰ | 90 | 48 | 15 | Φ 100 | / | / | Φ 6 | M20 × 1.5 |
| YG100 -Ⅱ | 83 | 44 | 34 | Φ 100 | / | / | Φ 6 | M20 × 1.5 |
| YG100 -Ⅳ | 68 | 44 | 34 | Φ 100 | Φ 6 | Φ 118 | Φ 6 | M20 × 1.5 |
| YG100 -Ⅵ | 90 | 48 | 15 | Φ 100 | Φ 6 | Φ 118 | Φ 6 | M20 × 1.5 |
| YG150 -Ⅰ | 117 | 51 | 16.5 | Φ 150 | / | / | Φ 6 | M20 × 1.5 |
| YG150 -Ⅱ | 92 | 52 | 55 | Φ 150 | / | / | Φ 6 | M20 × 1.5 |
| YG150 -Ⅳ | 69 | 52 | 55 | Φ 150 | Φ 6 | Φ 165 | Φ 6 | M20 × 1.5 |
| YG150 -Ⅵ | 117 | 53 | 28 | Φ 150 | Φ 6 | Φ 165 | Φ 6 | M20 × 1.5 |
















