◆ Modell: YLM60 YLM100 YLM150
◆ Tillämpning: Denna serie instrument är specialinstrument för att upptäcka låg temperatur eller speciellt kylmedelsmedium, främst används i kylskåp, vattenkylare, lufttork eller montering av kylmedelsmätargruppssystem.
Det kan också göra olika köldmedier med multi-märkningspaneler enligt kundernas krav, och det finns många slags mössor och fall (schweiziska stil) för kunder att välja.
På grund av den optimerade anslutningsdesignen och de speciella övervägandena i valet av svetsmaterial och tryckavkänningskomponenter har denna serie av produkter utmärkta egenskaper för anti-läckage, anti-tryckpul och anti-vibrering, så kvaliteten på instrumentet förbättras kraftigt, och felet och förlusten av kylsystemet på grund av produktkvalitetsproblem elimineras.
◆ Tekniska parametrar :
| Modellnummer | Ylm60 | Ylm100 | YLM150 | |
| Nominell diameter | Φ 60 | Φ 100 | Φ 150 | |
| Monteringstyp | Ⅰ | * | * | * |
| Ⅱ | * | * | * | |
| Ⅲ | * | / | / | |
| Ⅳ | * | * | * | |
| Ⅴ | * | / | / | |
| Ⅵ | * | * | * | |
| Anslutningstråd | M14 × 1.5 | M20 × 1.5 | ||
| Noggrannhetsklass | 2.5 | 1.6 | ||
| Mätområde ( MPA ) | Lågspänning : (- 30 ~ 0 …… 15 ) kg , 1,8MPA förtryckande:( 0 ~ 35 ) kg , 3,8MPA | |||
| Specifikation av mediatyp | R134A 、 R22a 、 R404A 、 R407A | |||
| Användningsförhållanden | temp : -20 ℃~ 60 ℃; Relativ luftfuktighet : ≤. 80 % | |||
| vibrationsbedömning | V · H · 3 | |||
| skyddsklass | IP54 | |||
| Implementeringsstandarder | GB/T 1226 | |||
| Obs: 1. Gemensamma trådar kan anpassas enligt användarkraven. | ||||
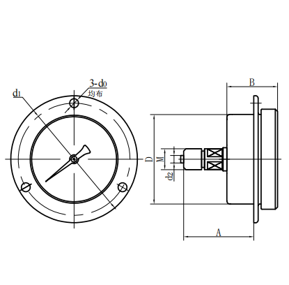
◆ Externa dimensioner:
| Radiell direkt typ (ⅰ) | Axial excentrisk direkttyp (ⅱ) |
| Axial Concentrisk direkt typ (III) | Axial excentrisk insatstyp (IV) |
| Axial koncentrisk insertionstyp (V) | Radiell konvex typ (VI) |
| Modellnummer | Övergripande dimensioner ( mm ) | |||||||
| En | B | C | D | d0 | d1 | d2 | M | |
| Ylm60 -Ⅰ | 56 | 33 | 11 | Φ 60 | / | / | Φ 5 | M14 × 1.5 |
| Ylm60 -Ⅱ | 61 | 32.5 | 18 | Φ 60 | / | / | | |
| Ylm60 -Ⅲ | 61 | 32.5 | / | Φ 60 | / | / | Φ 5 | M14 × 1.5 |
| Ylm60 -Ⅳ | 55 | 32.5 | 18 | Φ 60 | Φ 5 | Φ 75 | | |
| Ylm60 -Ⅴ | 55 | 32.5 | / | Φ 60 | Φ 5 | Φ 75 | Φ 5 | M14 × 1.5 |
| Ylm60 -Ⅵ | 56 | 33 | 11 | Φ 60 | Φ 5 | Φ 75 | Φ 5 | M14 × 1.5 |
| Ylm100 -Ⅰ | 90 | 48 | 15 | Φ 100 | / | / | Φ 6 | M20 × 1.5 |
| Ylm100 -Ⅱ | 83 | 44 | 34 | Φ 100 | / | / | Φ 6 | M20 × 1.5 |
| Ylm100 -Ⅳ | 68 | 44 | 34 | Φ 100 | Φ 6 | Φ 118 | Φ 6 | M20 × 1.5 |
| Ylm100 -Ⅵ | 90 | 48 | 15 | Φ 100 | Φ 6 | Φ 118 | Φ 6 | M20 × 1.5 |
| YLM150 -Ⅰ | 117 | 51 | 16.5 | Φ 150 | / | / | Φ 6 | M20 × 1.5 |
| YLM150 -Ⅱ | 92 | 52 | 55 | Φ 150 | / | / | Φ 6 | M20 × 1.5 |
| YLM150 -Ⅳ | 69 | 52 | 55 | Φ 150 | Φ 6 | Φ 165 | Φ 6 | M20 × 1.5 |
| YLM150 -Ⅵ | 117 | 53 | 28 | Φ 150 | Φ 6 | Φ 165 | Φ 6 | M20 × 1.5 |


















