◆ Modell: YJY100 YJY150
◆ Användning: Absolut tryck avser trycket som är högre än absolut tryck noll med absolut tryck noll (absolut vakuum) som referens. Absolut tryckvärde kan uttryckas med följande formel:
Absolut tryckvärde = Vakuum (negativt tryck) Värde atmosfäriskt tryckvärde
Absolut tryckmätare används huvudsakligen för att övervaka eller mäta det absoluta trycket i vissa vakuumutrustning (t.ex. vakuumförpackningsmaskiner, utrustning för övervakning av kondensationstryck och ångtryck av vätska etc.).
◆ Arbetstryck: Statisk belastning används upp till 3/4 av det övre gränsvärdet för mätning, utbytesbelastning används upp till 2/3 av det övre gränsvärdet för mätning, och korttidstryck används upp till mätvärdet för mätvärdet.
◆ Tekniska parametrar :
| modellnummer | Yjy100 | Yjy150 | |
| Nominell diameter | Φ 100 | Φ 150 | |
| Installationsformulär | Ⅰ | * | * |
| Ⅱ | * | * | |
| Ⅳ | * | * | |
| Ⅵ | * | * | |
| Anslutningstråd | M20 × 1.5 | ||
| Noggrannhetsklass | 0.4 ; 1.0 ; 1.6 ; 2.5 | ||
| Mätområde ( MPA ) | 0 ~ 0,1 0 ~ 0,16 0 ~ 0,25 0 ~ 0,4 0 ~ 0,6 0 ~ 1 0 ~ 1.6 0 ~ 2.5 0 ~ 4 0 ~ 6 0 ~ 10 | ||
| Användningsförhållanden | temp : -40 ℃~ 70 ℃ (Noggrannhetsklass : 0.4 ) -50 ℃~ 160 ℃ (Noggrannhetsklass : 1.0 ~ 2.5 ) relativ luftfuktighet : ≦ 80 % | ||
| vibrationsbedömning | V · H · 2 ; V · H · 3 | ||
| skyddsklass | IP65 | ||
| Implementeringsstandarder | | ||
| Obs: 1. Gemensamma trådar kan anpassas enligt användarkraven. | |||
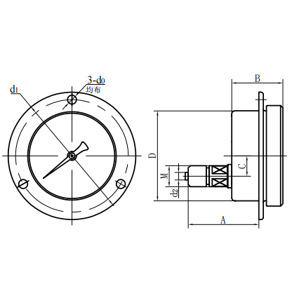
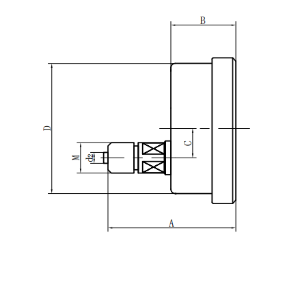
◆ Externa dimensioner:
|
Radiell direkt typ (ⅰ) | Axial excentrisk direkttyp (ⅱ) |
| Axial Concentrisk direkt typ (III) | Axial excentrisk insatstyp (iv) |
| modellnummer | Övergripande dimensioner ( mm ) | |||||||
| En | B | C | D | d0 | d1 | d2 | M | |
| Yjy100 -Ⅰ | 90 | 48 | 15 | Φ 100 | / | / | Φ 6 | M20 × 1.5 |
| Yjy100 -Ⅱ | 83 | 44 | 34 | Φ 100 | / | / | Φ 6 | M20 × 1.5 |
| Yjy100 -Ⅳ | 68 | 44 | 34 | Φ 100 | Φ 6 | Φ 118 | Φ 6 | M20 × 1.5 |
| Yjy100 -Ⅵ | 90 | 48 | 15 | Φ 100 | Φ 6 | Φ 118 | Φ 6 | M20 × 1.5 |
| Yjy150 -Ⅰ | 117 | 51 | 16.5 | Φ 150 | / | / | Φ 6 | M20 × 1.5 |
| Yjy150 -Ⅱ | 92 | 52 | 55 | Φ 150 | / | / | Φ 6 | M20 × 1.5 |
| Yjy150 -Ⅳ | 69 | 52 | 55 | Φ 150 | Φ 6 | Φ 165 | Φ 6 | M20 × 1.5 |
| Yjy150 -Ⅵ | 117 | 53 | 28 | Φ 150 | Φ 6 | Φ 165 | Φ 6 | M20 × 1.5 |
























