◆ Tekniska parametrar:
| Modell | Cyb100 | Cyb150 |
| Nominell diameter | Φ 100 | Φ 150 |
| Monteringstyp | Radiell konvex monterad Parallella gränssnitt | * | * |
| Radiell konvex monterad Åtta teckengränssnitt | / | * |
| Excentrisk excentrisk spolningstyp | / | * |
| Mätområde | Differentiell tryck Mätområde KPa | Nominell Arbetstryck KPa | Differentiell tryck Mätområde MPA | Nominell Arbetstryck MPA |
| 0 ~ 10 | 60 | 0 ~ 0.16 | 1 |
| 0 ~ 16 | 100 | 0 ~ 0.25 | 1.6 |
| 0 ~ 25 | 160 | 0 ~ 0.4 | 2.5 |
| 0 ~ 40 | 250 | 0 ~ 0.6 | 4 |
| 0 ~ 60 | 400 | 0 ~ 1 | 6 |
| 0 ~ 100 | 600 | 0 ~ 1.6 | 10 |
| | | 0 ~ 2.5 | 10 |
| Noggrannhetsklass | 2.5 |
| Passande trådar | M20 × 1.5 |
| Använd omgivningstemperatur | -40 ℃~ 70 ℃ |
| Temperaturen på mediet som ska användas | ≤. 60 ℃ |
| Vibrationsmotstånd | V · H · 3 |
| Hölje | IP54 |
| vikt | Cirka 1,0 kg |
| Impulssystemets material | 0CR17NI12MO2 、 SUS316 |
| hölje och annat material | 1cr18ni9 、 Sus304 |
| Verkställa standarden | JB/T 12015-2014 |
| Notera: 1 . Den gemensamma tråden kan anpassas enligt användarkraven. |
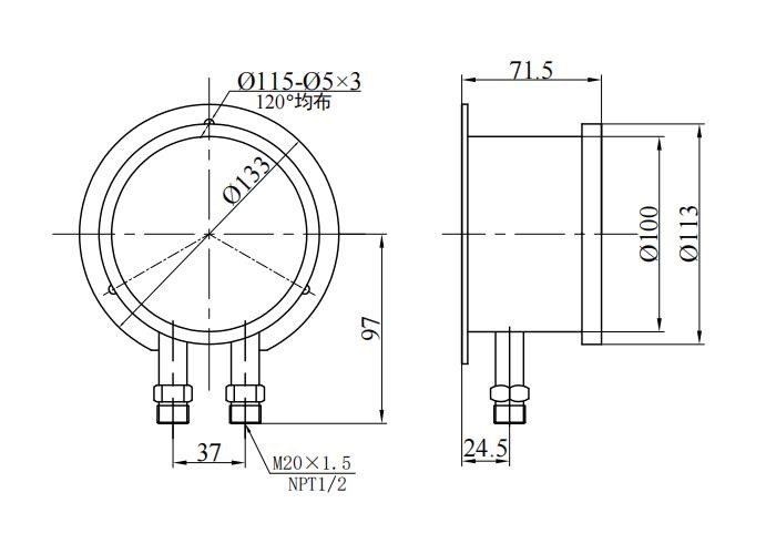
◆ Utseende och installationsstorlek:
| Cyb100 Parallellgränssnitt | Cyb150 Parallellgränssnitt |
| Cyb150 Bazi -gränssnitt | Cyb150 axiell excentricitet |
◆ Strukturell princip:
Instrumentet antar en dubbel Bourdon -rörstruktur, det vill säga två Bourdon -rör installeras i symmetriska positioner på båda sidor av "I" -fästet. The upper och lower sections of the "I" bracket are the movable end and the fixed end respectively, and the middle is connected by a spring piece: the two Bourdon tubes are in a parallel state, and are connected with the high and low voltage joints on the case with the conduit respectively: the gear transmission mechanism is directly installed at the fixed end of the bracket, and is connected with the movable end of the bracket through the pull rod: the dial is directly fixed on växelöverföringsmekanismen.
◆ Working principle: Based on the pressure sensing element, two Bourdon tubes with the same stiffness are used, so they are forced to produce the same concentrated force under the same measured medium to act on the movable bracket respectively, because the two sides of the spring blade do not produce deflection under the action of equal moment, so the bracket is still in the original position, so that the gear transmission mechanism does not act, so that the pointer is still pointed at the noll position.
När olika tryck appliceras (i allmänhet är högtrycksänden högre än lågtrycksänden) är kraften för de två Bourdon-rören som verkar på det rörliga stödet inte lika, så att motsvarande förskjutning genereras respektive, och växelöverföringsmekanismen drivs och förstärks, och det differentiella tryckvärdet mellan de två indikeras efter att pekaren är defekt är defekt.
◆ Försiktighetsåtgärder:
1. Instrumentet ska installeras vertikalt i ett läge som är på samma nivå som mätpunkten, annars måste det ytterligare felet som orsakas av vätskenivån beaktas.
2 . Instrumentkontakten markerad med " H "eller" "Är högspänningsänden, och den som är markerad med" L "eller" - "Är lågspänningsänden, som inte kan vändas under installationen.
3 . När instrumentet mäter differentiellt tryck kan differentiellt tryckvärde användas inom 75% av den övre gränsen för skalområdet och systemets maximala statiska tryckvärde bör inte överstiga det maximala statiska tryckvärdet som anges av instrumentet.
4. Som visas i figuren 4 , Balans (säkerhet) ventil (ventil 1 ) bör ställas in framför instrumentets höga och lågtrycksingångar under installationen och bör vara i öppet läge, och balansventilen ska stängas efter ventilen 2 and ventil 3 öppnas alla.
5 . Före användning bör instrumentet noggrant verifiera graden av erosion orsakad av det uppmätta mediet för att inte orsaka tidig korrosionsskada på Bourdon -röret.
◆ Beställningsinstruktioner:
När du beställer instrumentet måste användaren ange:
1. Modell och namn, differentiellt tryckområde, maximalt statiskt tryck, mätenhet, noggrannhetsnivå;
2. Montering och Bourdon Tube -material;
3. Joint trådstorlek: Konventionell M20 × 1.5 , NPT1/2 (eller kundens beteckning);
4. Obs: Tre ventilgrupper kan anpassas för användarnas (ventiler 1 ~ 3 i figur 4 )