◆ Modell: YC40 YC50 YC60 YC75 YC100 YC150
◆ Användning: Denna serie instrument är lämpliga för att mäta trycket på vätska, gas, ånga och andra vätskemedier utan explosionfara, kristallisation eller stelning på fartyg och relaterad utrustning.
Denna serie instrument har lysande typ, i huvudskalan på ratten och den främre änden av pekaren är belagd med ett aktivt eller passivt permanent lysande medel, så tryckvärdet kan tydligt läsas i mörkret.
Skalet i denna serie instrument är helt tätat och har ett visst motstånd mot havsvattenkorrosion, vilket skyddar de inre komponenterna i instrumentet från skador och korrosion av vågor och havsvatten.
Denna serie instrument kan också fyllas med dämpande olja med låg viskositet i skalet, med förmågan att motstå vibrationen i arbetsmiljön orsakad av det dåliga vädret i havet och medium tryckpulsering.
Denna serie instrument används främst i offshore -frakt, offshore olje- och gasfält, borrplattformar utanför havs, havsbotten, inlandsnavigering och andra branscher.
◆ Tekniska parametrar :
| Modellnummer | Ylm60 | Ylm100 | YLM150 | |
| Nominell diameter | Φ 60 | Φ 100 | Φ 150 | |
| Monteringstyp | Ⅰ | * | * | * |
| Ⅱ | * | * | * | |
| Ⅲ | * | / | / | |
| Ⅳ | * | * | * | |
| Ⅴ | * | / | / | |
| Ⅵ | * | * | * | |
| Anslutningstråd | M14 × 1.5 | M20 × 1.5 | ||
| Noggrannhetsklass | 2.5 | 1.6 | ||
| Mätområde ( MPA ) | Ledig: -0.1 ~ 0 Tryckvakuum : -0.1 ~ 0,06 -0.1 ~ 0,15 -0.1 ~ 0.3 -0.1 ~ 0,5 -0.1 ~ 0,9 -0.1 ~ 1.5 -0.1 ~ 2.4 Tryck: 0 ~ 0,1 0 ~ 0,16 0 ~ 0,25 0 ~ 0,4 0 ~ 0.6 0 ~ 1 0 ~ 1.6 0 ~ 2.5 0 ~ 4 0 ~ 6 0 ~ 10 0 ~ 16 0 ~ 25 0 ~ 40 0 ~ 60 0 ~ 100 、 0 ~ 160 、 0 ~ 250 |
| Användningsförhållanden | temp : -40 ℃~ 70 ℃ |
| vibrationsbedömning | Normal typ : V · H · 3 ; Seismisk typ (vätskefylld typ) : V · H · 4 |
| Borden Tube Material | QSN4-0.3 、 OCR18NI12MO2TI |
| Fall och anslutningsmaterial | 1cr18ni9ti ; Sus304 |
| skyddsklass | IP65 |
| Implementeringsstandarder | GB/T 1226 ; JB/T 6804 |
| Obs: 1. Gemensamma trådar kan anpassas enligt användarkraven. | |
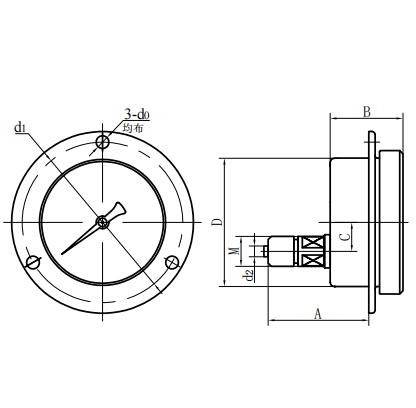
◆ Externa dimensioner:
| Radiell direkt typ (ⅰ) | Axial excentrisk direkttyp (ⅱ) |
| Axial Concentrisk direkt typ (III) | Axial excentrisk insatstyp (IV) |
| Axial koncentrisk insertionstyp (V) | Radiell konvex typ (VI) |
| modellnummer | Övergripande dimensioner (mm) | |||||||
| En | B | C | D | d0 | d1 | d2 | M | |
| Yc60- Ⅰ | 56 | 33 | 11 | Φ 60 | / | / | Φ 5 | M14 × 1.5 |
| Yc60- Ⅱ | 61 | 32.5 | 18 | Φ 60 | / | / | Φ 5 | |
| Yc60- Ⅲ | 61 | 32.5 | / | Φ 60 | / | / | Φ 5 | M14 × 1.5 |
| Yc60- Ⅳ | 55 | 32.5 | 18 | Φ 60 | Φ 5 | Φ 75 | Φ 5 | |
| Yc60- Ⅴ | 55 | 32.5 | / | Φ 60 | Φ 5 | Φ 75 | Φ 5 | M14 × 1.5 |
| Yc60- Ⅵ | 56 | 33 | 11 | Φ 60 | Φ 5 | Φ 75 | Φ 5 | M14 × 1.5 |
| Yc100- Ⅰ | 90 | 48 | 15 | Φ 100 | / | / | Φ 6 | M20 × 1.5 |
| Yc100- Ⅱ | 83 | 44 | 34 | Φ 100 | / | / | Φ 6 | M20 × 1.5 |
| Yc100- Ⅳ | 68 | 44 | 34 | Φ 100 | Φ 6 | Φ 118 | Φ 6 | M20 × 1.5 |
| Yc100- Ⅵ | 90 | 48 | 15 | Φ 100 | Φ 6 | Φ 118 | Φ 6 | M20 × 1.5 |
| YC150- Ⅰ | 117 | 51 | 16.5 | Φ 150 | / | / | Φ 6 | M20 × 1.5 |
| YC150- Ⅱ | 92 | 52 | 55 | Φ 150 | / | / | Φ 6 | M20 × 1.5 |
| YC150- Ⅳ | 69 | 52 | 55 | Φ 150 | Φ 6 | Φ 165 | Φ 6 | M20 × 1.5 |
| YC150- Ⅵ | 117 | 53 | 28 | Φ 150 | Φ 6 | Φ 165 | Φ 6 | M20 × 1.5 |


















