◆ Modell: YJ150 YJ150A
◆ Användning: Denna serie instrument används huvudsakligen för att kalibrera industriella eller civila vanliga tryckmätare. Det kan också användas för att noggrant mäta trycket på icke-korrosiva, icke-kristalliserande och icke-konsoliderande medier såsom kopparlegering och legeringsstål på processplatsen.
Denna serie instrument i skallinjen under inställningen av spegelringen, i användning kan göra att läsfelet minimeras. En typ med nollanordning, i processen för användning, om du upptäcker att pekaren inte återgår till noll, i frånvaro av medietryck kan finjusterad pekare, så att den återgår till noll för att minska felet.
◆ Tekniska parametrar :
| modellnummer | Yj150 | YJ150A | |
| Nominell diameter | Φ 150 | ||
| Installationsformulär | Ⅰ | * | * |
| Ⅳ | * | * | |
| Anslutningstråd | M20 × 1.5 | ||
| Noggrannhetsklass | 0.4 | ||
| Mätområde ( MPA ) | Ledig: -0.1 ~ 0 Tryckvakuum : -0.1 ~ 0,06 -0.1 ~ 0,15 -0.1 ~ 0,3 -0.1 ~ 0,5 -0.1 ~ 0,9 -0.1 ~ 1.5 -0.1 ~ 2.4 Tryck: 0 ~ 0,1 0 ~ 0,16 0 ~ 0,25 0 ~ 0,4 0 ~ 0.6 0 ~ 1 0 ~ 1.6 0 ~ 2.5 0 ~ 4 0 ~ 6 0 ~ 10 0 ~ 16 0 ~ 25 0 ~ 40 0 ~ 60 0 ~ 100 | ||
| Användningsförhållanden | temp : 20 ℃ ± 3 ℃ | ||
| vibrationsbedömning | V · H · 2 | ||
| skyddsklass | IP54 | ||
| Implementeringsstandarder | GB/T 1227 | ||
| Obs: 1. Gemensamma trådar kan anpassas enligt användarkraven. | |||
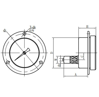
◆ Externa dimensioner:
| Radiell direkt typ (ⅰ) | Axial Excentric Direct Type (ⅱ) |
| modellnummer | Övergripande dimensioner ( mm ) | |||||||
| En | B | C | D | d0 | d1 | d2 | M | |
| YJ150- Ⅰ Yj150a- Ⅰ | 113 | 51 | 21 | Φ 150 | / | / | Φ 6 | M20 × 1.5 |
| YJ150- Ⅳ Yj150a- Ⅳ | 79 | 51 | 55 | Φ 150 | Φ 6 | Φ 165 | Φ 6 | M20 × 1.5 |


















