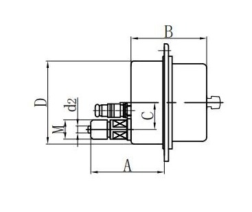
◆ Modell: YXCH100 YXCH150
◆ Användning: Denna typ av instrument är lämplig för att mäta trycket på vätskor, gaser eller ångor utan explosionsrisk, ingen kristallisation, ingen stelning och ingen frätande effekt på koppar- och kopparlegeringar. När det är utrustat med ett lämpligt kretssystem kan det skicka ett larm eller automatisk kontroll till trycksystemet som ska mätas och kontrolleras.
◆ Om det är nödvändigt att göra en chocksäkert tryckmätare kan den fyllas med glycerin eller silikonolja.


















