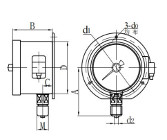
◆ Modell: YTX100B YTX150B
◆ Användningar: Denna serie instrument används speciellt i den omgivande miljön i brännbart media och explosiv blandningsrisk för platser, mätning av trycket på vätskor och gaser, med motsvarande elektriska enheter, kan uppnå larm eller automatisk kontroll och andra funktioner.
Instrumentet antar en magnetisk elektrisk kontakt, som har egenskaperna för stor sugkraft och tillförlitlig kontakt.
Detta instrument uppfyller kraven i GB 3836.1-2010 "Explosiva atmosfärer - del 1 : Allmänna krav för utrustning "och GB3836.2-2010 "Explosiva atmosfärer - del 2 : Utrustning skyddad av flamskyddade kapslingar " d ".
















